Just took a pic to show what I meant. Note the Molex contact on the bottom is from a computer power supply connector. The contact still on the strip is from one of the Jayco pp2026 style connectors. You can see the locking tangs are aligned, but the molex contact is shorter.
Hi, Troopy! Thanks for the heads up on those MNL plugs. I was lucky that the Welsh Elektroblock service agent offered to send me what I needed. That saved me hunting too much locally. There is a plethora of very similar plugs & sockets with minor differences which make it a very confusing issue.
Dick and Jane said
10:20 AM May 21, 2015
A-Van Electrical Mysteries?? What a fine job they have done on our new A-Van Frances!! Pre-wired for solar - joke..........yes there is a wire from near the battery to the cupboard above the fridge and a wire into the roof cavity, so technically I suppose it is pre-wired for solar. Wires from Electroblok which run under the floor and simply end, terminated with insulation tape??? I was told to plug my folding solar panels into the Anderson plug - nothing happens - no charge to A-Van battery!! Currently fitting 180W semi-flexible Jaycar solar panel to roof, have run "pre-wired for solar" cables through Redarc Solar Controller with monitor and hooked up to van battery. Also de-mystifying the other electrics and installing a radio, rear-view camera and have re-located hot water service switch from in the cupboard under the wardrobe to front corner under bed so it's easier to get to and see. Hope to prevail on other Grey Nomads experience and pass on my learnings as well.
Cheers,
Dick.
Benalla.
Stratman77 said
10:29 AM May 21, 2015
Hi, Dick!
Why am I not surprised with your Elektroblock issues. If you read through all the earlier posts in this thread, you will know that it is a very common problem. Avan (or the contractors who wire the vans really appear to have no idea of the abilities/featues of the EBL-109.
If I can help at all, just yell.
Chris
tempestv8 said
02:29 PM Jan 6, 2016
Finally got around to replacing all those scotch lock crimp connectors that the AVan electricians use to wire up everything.
Replaced them with these excellent spring loaded connectors.
You can buy them from eBay, using the search key words "Spring Terminal Block Cable"
Very very happy with the result because the terminals do grip the wires very very tightly and now all my 12 volt power sockets are working reliably. Prior to these connector blocks, one of the 12 volt power sockets would randomly stop working, and what I had to do was to wiggle the scotch locks until it started to work again.
I also took the trouble to label most of the cables, so now I know which wires do what. Very happy with the outcome, and still very happy with the caravan.
-- Edited by tempestv8 on Wednesday 6th of January 2016 02:34:09 PM
rupert80 said
02:51 PM Jan 6, 2016
Hi Tempest,
Good job! That's next on my todo list for my Owen, along with making sure all the Electrobloc features are enabled - especially the dc-dc charger. I'll also add a solar panel to complete the setup.
It's a real shame Avan let their quality control slide for so long as it has damaged their reputation. They seem to be adding more people now, but it takes a long time to earn back lost trust.
You guys have done a great job of clarifying the murky waters around the Electrobloc and with all the info you've posted I feel confident to start the big fixup myself. I've read through this thread several times and each time, I seem to pick up a bit more :)
Cheers
Geoff
tempestv8 said
11:54 AM Jan 27, 2016
Quick question to Chris and other folks using the Elektroblock's DC-to-DC feature:
I have discovered on this Australia Day long weekend trip away with the van that whenever I engage the DC-to-DC charging function by applying charge control power to Pin 5, Block 2 the Elektroblock makes a single click sound and shuts off all load output to Block 3, so all the 12 volt devices in the van stop working, e.g. 12 volt lights, toilet flush, 12 volt internal and external cigarette lighter sockets, radio, water pump, TV, etc. Even the little green LED on the control panel is extinguished.
Is this some kind of feature of the Elektroblock where it turns off all 12 volt output so that it can charge the house batteries more effectively, i.e. faster charging by disabling any loads?
I've found that I can turn on the power again at the control panel after the Elektroblock has turned everything off, and it stays on whilst Pin 5, Block 2 is still live. But if I turn off the charge control power to that pin and turn it back on again, once again all the load output to Block 3 is turned off.
The reason why I ask this question is that sometimes I leave my portable Waeco 12 volt compressor fridge in the caravan (I run it as a freezer), plugged into one of the 12 volt cigarette lighter sockets, so that I can keep food frozen whilst driving on a long road trip. But I now see that everytime the DC-to-DC charge control power is enabled, this switches off all the 12 volt loads, so my Waeco fridge is no longer running. :(
-- Edited by tempestv8 on Wednesday 27th of January 2016 12:27:13 PM
Stratman77 said
12:37 PM Jan 27, 2016
I am hazy about the Elektroblock now as I traded the Avan last June. The issue you describe may well be normal as I never used the car input while onsite. I know everything works fine while towing and via solar when onsite. I used to run my car fridge with the solar on just fine. I suggest you ask the company in Wales www.aandncaravanservices.co.uk/ who helped me a great deal. I think they would be happy to answer a couple of questions for you. Let me know if I can be of any further assistance and I'll dig out all my notes.
tempestv8 said
12:25 AM Jan 28, 2016
Silly me, I should have read the manual...
It says on page 4: Automatic cut-off: If the caravan is connected to the tow vehicle and if the ignition is turned on, all load is switched off automatically.
Pretty much answers my question. Apologies for not consulting the owner's manual first! I'm happy that this is all working normally on my van, as per Shaudt design.
It also means that I can't put my portable Waeco fridge inside the caravan and expect it to run off the house battery via the EBL when I am towing the van. Which is probably a good thing because the fridge would be just sitting on the floor and could move if the tow vehicle had to make a hard stop.
I will just put the fridge in the back of the vehicle from now on.
-- Edited by tempestv8 on Thursday 28th of January 2016 12:39:08 AM
Stratman77 said
01:38 AM Jan 28, 2016
It just occurred to me as well, that my new van does the same thing. The only loads energised while towing are the house battery charger and the Dometic 3 way refrigerator. Your Dometic fridge should run happily while towing as well. You could do what I did in the Avan and fit a power socket for the Waeco straight off the house battery through a 15A fuse. It worked fine for me and had no adverse effect on the EBL, but I always made sure it was well secured if I had it in the van while towing. My portable fridge has a power saving switch that allows me to adjust the automatic low voltage cut out/cut in range which means you can safely leave it hooked up and it will never flatten the battery. Just for curiosity sake, what did you use as an ignition trigger? Did you have one wired from the alternator as 'specified' by Shaudt, or another method? I assume you understand the need for the trigger wire! Let me know if you have any other questions.
tempestv8 said
09:47 AM Jan 28, 2016
Hi Chris,
Thanks for your confirmation. Its reassuring to know that this is normal EBL behavior to auto-cutoff when the charge control (aka trigger/ignition) comes on.
Because my tug uses the 7 pin flat socket for the trailer wiring loom, there isn't an ignition wire there, so I tapped into pin 7 for my charge control - pin 7 is for the rear/clearance/side marker lamp circuit.
So basically my EBL's DC-to-DC function is triggered by the tug's parking lights. Which suits me fine. If I'm driving during the day, and the headlights are not on, the solar panel is feeding into the house batteries. But at night when there is no solar charge input, if I happen to be towing, the tug is then doing the job of charging the house batteries.
I do believe that the fridge is definitely working on 12 volts whilst towing, even when the EBL's house loads are auto-shut off by the trigger wire, because I can feel some heat coming out of the external top vents.
I will consider installing a 12 volt merit plug directly to the house batteries for permanent 12 volt power, and mount the socket somewhere near the dining area. Another task to do before the Easter holidays. :)
Kind regards,
Lawrance
-- Edited by tempestv8 on Thursday 28th of January 2016 10:20:34 AM
Stratman77 said
10:08 AM Jan 28, 2016
It sounds to me like you have everything under control. I have some work to do on the new van as few European vans come with solar inputs, and even power outlets outside. Anyway, I enjoy doing it, so another job before Easter! One thing I did do straight away was to replace the 6mm 12v feed from the flat plug to an 8mm feed from an Anderson. I have had major burnout problems with the so-called 30 amp contacts in the 12 pin flat plug - even parallel - ing 2 contacts still burnt out running the fridge and battery charging while towing. The van retailer muttered about voiding warranty, but he would have to be able to show that the mod was to blame for any issues. Good luck with that!
03_Troopy said
10:45 AM Jan 28, 2016
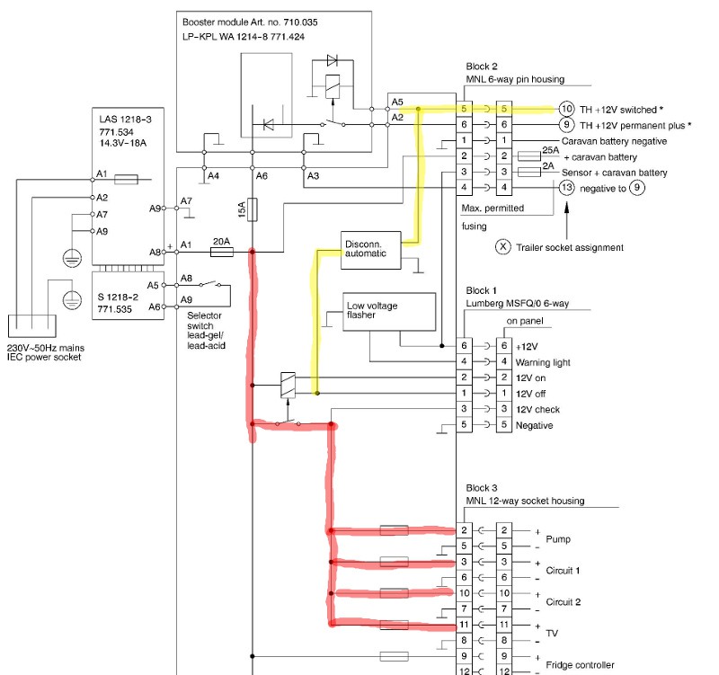
From the schematic, when you supply a voltage to pin 5 of block 2 (yellow), to enable the DC-DC converter, it also operates the auto disconnect module, to disconnect 12V O/P to pins 2, 3, 10 and 11 of block 3. It does however leave pin 9 still connected to 12V which you could use to power your Waeco fridge.
Thanks, Troopy! You certainly could use that, as it is the permanent 12v feed, or come straight off the house battery as I did.
tempestv8 said
12:10 PM Jan 28, 2016
Thanks for colouring in the wiring diagram, Troopy. I will go and check my Block 3 to check the wiring for the fridge, just to be sure that it is wired correctly.
From the earlier photos that I posted up on the previous page, you can see that the wiring for Block 3 had a serious error in it (from Avan's electrician). One of the earth wires (black) was in a wrong spot. Clearly the electrician at Avan really did not know what they were doing. Thankfully no damage done and I've relocated that earth wire.
Cheers,
Lawrance
EDIT: After coming back from work, I checked the wiring for the fridge. From what I've found, the AVan electrician has wired the fridge directly to the house batteries, bypassing the EBL altogether.
-- Edited by tempestv8 on Thursday 28th of January 2016 12:11:23 PM
-- Edited by tempestv8 on Thursday 28th of January 2016 09:17:37 PM
Cpt Woody said
08:15 PM Aug 18, 2016
Hi all
This is my 1st feed on TGNF though I feel I know you all having read your feeds over the last year regarding our wonderful Electrobloc EBL 109-6.
Even though this thread has been active for a few years it is still probably the best thread addressing some of the Avan's Electrobloc EBL 109-6 wiring issues.
Let me first introduce myself. I am the proud 2nd owner of an Avan Infinity 2013. My 1st van after being an avid camper for the last 35 years. The van has features I really never dreamed of for our 1st van. Please forgive my long winded 1st post. But I will try and be as clear as mud.
One of my friends is a small caravan/camper trailer manufacturer. He mainly does repairs and improvements. He did a few small jobs for me when I first got the van eg: raising the gas regulator above the bottle height ect.. He did say to me at the time he was baffled at how the electrical setup was done. I didn't take much notice of that comment till later... As we know Avan as standard only runs the tow vehicles power to the fridge. My van does not work this way. The first owner has made significant changes and installs after handover including wiring, auto sat TV and Solar.
Here are a few things I have noted about my 12volt electrics.
The house battery has 3 items connected to it from what I can tell. 1- solar panel from the PWM controller. 2- Tow power. 3- Electrobloc. The positive has both a red and yellow connected together. I assume the yellow is the + sensor lead.
Power from the tow seems to go straight to the house battery (AGM 120Ah)and the brakeaway brake system. I doubt it has been wired to the dc to dc on the Electrobloc. When I disconnected the house battery and connected the tow vehicles power the brakeaway starts charging and there is power leads from the tows Anderson to the house battery are live but no power coming from the Electrobloc's leads
To run the fridge under tow you must have the vans 12 volt turned on via the LT control panel. This means all 12v items run on while towing.
As I'm using an AGM house Battery what should the setting on the electrobloc be set too Acid or Gel? Finally is the AC- DC charger on the Electrobloc a smart charger? I have a ArkPak that has a inbuilt seven stage smart charger.
I have a 160watt portable solar panels that I would like to utilize when camping off the grid, as well as a Ctek D250s 20amp off the grid new in a box (dc-dc charger) that I was intending to use in the van as its dc-dc charger and MPPT solar controller. Should I continue down this path or utilize the Electrobloc's dc-dc function.
Any thoughts? I hope I make sense.
I have attach 2 photos of the wiring to the Electrobloc as well
PS: I have a copy of the Electrobloc EBL 109-6 instruction manual if anyone wants a copy as it seems hard to find on the net.
Cheers Sean
rupert80 said
10:16 PM Aug 18, 2016
Hi Sean,
My setup seems to be have been wired similar to yours.
One thing I noticed was that no two EBL 109-6 setups seemed to be the same as Avan must have outsourced the wiring to external electrical contractors. I managed to get a copy of the wiring instructions they gave the electricians and it was basically the wiring diagram from the EBL 109-6 instruction manual with some handwritten additions regarding wire gauge for various bits and a couple of similar instructions. In other words, bloody thin!
I have an Owen 2012 model and it didn't have the dc-dc charger or solar wired in so I took it to a local caravan repairer who is also an auto sparky and he added these things for me. So now I have the house battery being charged by the EBL dc-dc charger whilst towing and it seems to do a good job. From memory, I think it delivers just over 14V on charge.
I also have a Ctek 250s dual, but it is setup in the rear of my ute to charge the ute's auxilliary battery. I would feel happy recommending you just wire in the EBL dc-dc charger and save your Ctek for something else.
For an AGM battery you should set the EBL to Gel.
Hope this helps!
Cheers
Geoff
Stratman77 said
11:00 PM Aug 18, 2016
Hi, Sean!
I used the EBL-109 solar input for my portable 180w panel (I bypassed the 'built-in' regulator) and had great results. I sadly traded my Avan 12 months ago, but still think the EBL-109 was a brilliant power controller. If only Avan had known how to wire it!
Regards
Chris
Cpt Woody said
10:21 AM Aug 19, 2016
I've had a couple of members ask for the Electrobloc EBL 109-6 manual so thought I'd upload to this forum.
Don't ask me where I got it from.. After searching the Web for a longtime I stumbled across it. I couldn't press the download key quick enough
Hi, Sean!
That's fine. I shared it on the first page of this thread. There is a heap of info from several bloggers (including me) about the EBL, so I can only suggest you read all the pages. It could answer lots of questions.
Regards
Chris
Cpt Woody said
03:42 PM Aug 19, 2016
Thanks Chris
I have read heaps of excellent information and advice on this thread about the wiring and the EBL. It's been very helpful.
I thought I'd load the EBL 109-6 manual as it is slightly different to your posting of the 109-5. When I say slightly in mean slightly. The 109-6 does have a fridge controller on block 3 that also seems to bypass the auto cutoff when the dc-dc is running. I think, I'm no electrician. There's also a 2A fuse on the front panel for the fridge controller.. This seems very light amps so can't be running the fridge. Not that my block 3 is using it. Any advice?
Regards
Sean
Stratman77 said
08:22 PM Aug 19, 2016
Hi, Sean!
I strongly suggest you contact the company I did in the U.K. They were wonderful. Here is a text from one of my earlier posts:
I was so frustrated with the appalling lack of support from Avan regarding this - and any electrical - issue, I contacted an Elektroblock service company in the UK called A&N Caravan Services who were fantastic. A very knowledgeable guy by the name of Allan Evans sent me schematics etc. which answered all my questions about this DC charging issue. He also wrote me a lot of instructions about the connections and strongly recommended I read their page about van batteries www.aandncaravanservices.co.uk/battery-technology.php which blew me away!
I'm sure they can tell you what you need to know as I found there was virtually no-one in this country who really knew the EBL.
Good luck
Chris
6mdx said
08:09 AM Nov 23, 2016
Hi all, read this thread with interest. Recently purchased an Avan Erin HT, and of course the wiring has been interesting. No Anderson plug, the 12 feed was from the fridge directly to the 7 pin trailer plug, complete with lots of bare wires. No use of the DC/DC function.
So I have wired an Anderson plug to the Electo block, got the time delay relay and just need to put that in to give it all the big test.
With the fridge, I wonder if the elect block wants to control a relay that switches the fridge...that 2 amp fuse is the clue.
One question, I was going to use the parking light circuit to trigger the EL block, but there appears to be no earth connection between the light circuit and the the battery, i.e. cant measure 12 volts between the +ve light circuit and the negative terminal of the battery!
comments?
thanks Robert
-- Edited by 6mdx on Wednesday 23rd of November 2016 12:04:38 PM
Black Matuka said
11:23 AM Aug 5, 2017
Hi all, I am new to the world of Avans and have been using this thread to understand the "marvels" of the Electrobloc . I now know how to wire up my DC charger via Block 2 pins 4,5,6 - it wasn't connected at all.
I still have a couple of questions: 1. the electrobloc connection diagram has inputs for "solar charger" - does this mean that there is no need for a solar regulator? Does the electrobloc act as a regulator as well? In the Block 4 diagram, the solar connections are (E) to Pin 2; A to Pin 3; - to Pin 1. I have interpreted this as panel negative to Pin 1; Panel positive to Pin 3; but not sure what (E) means? (E) seems to be connected in circuit diagram to Pin 1 in Block 3 (i.e. a load circuit). Unless there is a regulator, not sure what to connect to (E) (Pin 2/Block 4), and if it is the "load" output from a regulator, where does load negative go?
2. what to do with 12V fridge feed. At the moment, it is running from Anderson Plug (from voltage protected second battery setup) directly to fridge, no other connections. I was going to connect the DC charger (Block 2) to the same Anderson plug, but this means that the fridge will be effectively connected to the feed side of the DC charger (Block 2). If I understand the circuitry, the ignition feed to Block 2/pin 5 disconnects the 12 V input (Block 2/pin 6) when ignition is off to protect the car battery, but this would only work if fridge is connected to Block 3 (rather than directly). So what can I do to prevent draining car batteries when stopped? I thought of putting in a "fridge switch" to isolate fridge when stopped? Is this a good idea?
Stratman77 said
12:57 PM Aug 5, 2017
Hi, Robert and Peter!
It seems a long time ago that I went through all the same problems you need to fix, as I replaced my Avan over 2 years ago. My old brain is struggling to remember all the details, so I think if you read all my posts you should find a solution. I do remember a few things of reasonable importance. In my 'conversations' with the Electroblock service company in Wales, they stressed the importance of the use of either a real trigger wire from the tug's ignition as per the schematics, or an artificially delayed trigger voltage which 'fools' the unit into thinking that 'OK, I have a solid 12v supply now, but I don't operate until the engine is running'. A 20 second delay is normally more than sufficient to start most cars and it removes the Fridge and house battery charging load from the vehicle battery while the motor is cranking. Maybe not vital if your tug battery is in real good shape, but if not it could be problematic. I believe that the small fuse on the trigger wire is mainly because the trigger circuitry current requirements are low. The Electroblock is a very competent smart charger, and I think it will accept 'raw' or regulated solar input.
The trigger system also saves your tug battery when you stop for lunch! I would strongly recommend any wiring modifications be exactly as per the schematics posted on this thread, as unwanted parallel connections may affect or damage the EBL109. I would also allow the Electrobloc to power the fridge as intended and connect the high current 12v supply to the unit as per the pix above. The yellow wire is the 'motor running' trigger (mentioned before) which ensures that nothing happens when the motor stops. You may need to do some intensive reading of the manual and schematics before you start, and if you don't fully understand, ask questions! Good luck.
Chris
Black Matuka said
08:34 PM Aug 5, 2017
Thanks Chris,
Those little pins do not seem to be large enough to take the current that a fridge draws, but I will give it a go!
Getting back to the solar panel, is there an in-built regulator? If not, which pins to use on the solar block and what is the (E) pin for?
Peter
Black Matuka said
08:37 PM Aug 5, 2017
Since I have a pommy tow vehicle (Land Rover) with the two round plugs (12S and 12N) I actually have a factory ignition contact to utilise, will run it through the "reverse" pin in the 7 flat plug.
Stratman77 said
09:17 PM Aug 5, 2017
Hi, Peter!Unless someone has radically modified the wiring, the fridge should already be connected to the EBL109. The tug power should enter the unit via the top RHS socket, and then it will go to the fridge via a fuse connection and block3, pins 9 and 12. Or at least that's the way I remember it. All I had to do to get mine working was to connect the high current 12v to Connector block 2, and provide a delayed 12v supply for the trigger. Cpt Woody has a couple of great pix of the correct connections for 12v+ (red) 12v-ve (blk) and trigger (yelow). The other pins on block 2 are for the house battery charging function. I notice on Cpt Woody's pix that these aren't used. I can only assume his van has been modified (by Avan or someone else) with a third party battery system. That would pose a whole new set of questions of what effect that would have on the normal 12v functions of the EBL109 as there would be no power input when the tug is disconnected, unless other wiring mods have been done to get around this. At this stage, I am very reluctant to suggest what alterations need to be done as I have no real idea of what has already been done! Therefore, I suggest you seek advice from a technician who can trace the existing wiring and determine what can be done without doing damage. It is also highly likely that since my Avan was wired at the factory in 2008 they have made significant changes. But it's still obvious that they still have no idea of just how good the EBL is and how to deploy it correctly. Good luck!
-- Edited by Stratman77 on Saturday 5th of August 2017 09:20:08 PM
Van Cough said
09:05 AM Apr 22, 2020
Hi, I am new to this RV stuff. You asked a question regarding connecting your solar and where can you get a plug fitting for bloc 4. Did you get an answer please?
Just took a pic to show what I meant. Note the Molex contact on the bottom is from a computer power supply connector. The contact still on the strip is from one of the Jayco pp2026 style connectors. You can see the locking tangs are aligned, but the molex contact is shorter.
Cheers,
Dick.
Benalla.
Why am I not surprised with your Elektroblock issues. If you read through all the earlier posts in this thread, you will know that it is a very common problem. Avan (or the contractors who wire the vans really appear to have no idea of the abilities/featues of the EBL-109.
If I can help at all, just yell.
Chris
Finally got around to replacing all those scotch lock crimp connectors that the AVan electricians use to wire up everything.
Replaced them with these excellent spring loaded connectors.
http://global.wago.com/en/solutions/building-automation/building-installation/branch-boxes/classic-splicing-connectors-all-wire-types/index.jsp
You can buy them from eBay, using the search key words "Spring Terminal Block Cable"
Very very happy with the result because the terminals do grip the wires very very tightly and now all my 12 volt power sockets are working reliably. Prior to these connector blocks, one of the 12 volt power sockets would randomly stop working, and what I had to do was to wiggle the scotch locks until it started to work again.
I also took the trouble to label most of the cables, so now I know which wires do what. Very happy with the outcome, and still very happy with the caravan.
-- Edited by tempestv8 on Wednesday 6th of January 2016 02:34:09 PM
Good job! That's next on my todo list for my Owen, along with making sure all the Electrobloc features are enabled - especially the dc-dc charger. I'll also add a solar panel to complete the setup.
It's a real shame Avan let their quality control slide for so long as it has damaged their reputation. They seem to be adding more people now, but it takes a long time to earn back lost trust.
You guys have done a great job of clarifying the murky waters around the Electrobloc and with all the info you've posted I feel confident to start the big fixup myself. I've read through this thread several times and each time, I seem to pick up a bit more :)
Cheers
Geoff
Quick question to Chris and other folks using the Elektroblock's DC-to-DC feature:
I have discovered on this Australia Day long weekend trip away with the van that whenever I engage the DC-to-DC charging function by applying charge control power to Pin 5, Block 2 the Elektroblock makes a single click sound and shuts off all load output to Block 3, so all the 12 volt devices in the van stop working, e.g. 12 volt lights, toilet flush, 12 volt internal and external cigarette lighter sockets, radio, water pump, TV, etc. Even the little green LED on the control panel is extinguished.
Is this some kind of feature of the Elektroblock where it turns off all 12 volt output so that it can charge the house batteries more effectively, i.e. faster charging by disabling any loads?
I've found that I can turn on the power again at the control panel after the Elektroblock has turned everything off, and it stays on whilst Pin 5, Block 2 is still live. But if I turn off the charge control power to that pin and turn it back on again, once again all the load output to Block 3 is turned off.
The reason why I ask this question is that sometimes I leave my portable Waeco 12 volt compressor fridge in the caravan (I run it as a freezer), plugged into one of the 12 volt cigarette lighter sockets, so that I can keep food frozen whilst driving on a long road trip. But I now see that everytime the DC-to-DC charge control power is enabled, this switches off all the 12 volt loads, so my Waeco fridge is no longer running. :(
-- Edited by tempestv8 on Wednesday 27th of January 2016 12:27:13 PM
Silly me, I should have read the manual...
It says on page 4: Automatic cut-off: If the caravan is connected to the tow vehicle and if the ignition is turned on, all load is switched off automatically.
Pretty much answers my question. Apologies for not consulting the owner's manual first! I'm happy that this is all working normally on my van, as per Shaudt design.
It also means that I can't put my portable Waeco fridge inside the caravan and expect it to run off the house battery via the EBL when I am towing the van. Which is probably a good thing because the fridge would be just sitting on the floor and could move if the tow vehicle had to make a hard stop.
I will just put the fridge in the back of the vehicle from now on.
-- Edited by tempestv8 on Thursday 28th of January 2016 12:39:08 AM
Hi Chris,
Thanks for your confirmation. Its reassuring to know that this is normal EBL behavior to auto-cutoff when the charge control (aka trigger/ignition) comes on.
Because my tug uses the 7 pin flat socket for the trailer wiring loom, there isn't an ignition wire there, so I tapped into pin 7 for my charge control - pin 7 is for the rear/clearance/side marker lamp circuit.
So basically my EBL's DC-to-DC function is triggered by the tug's parking lights. Which suits me fine. If I'm driving during the day, and the headlights are not on, the solar panel is feeding into the house batteries. But at night when there is no solar charge input, if I happen to be towing, the tug is then doing the job of charging the house batteries.
I do believe that the fridge is definitely working on 12 volts whilst towing, even when the EBL's house loads are auto-shut off by the trigger wire, because I can feel some heat coming out of the external top vents.
I will consider installing a 12 volt merit plug directly to the house batteries for permanent 12 volt power, and mount the socket somewhere near the dining area. Another task to do before the Easter holidays. :)
Kind regards,
Lawrance
-- Edited by tempestv8 on Thursday 28th of January 2016 10:20:34 AM
From the schematic, when you supply a voltage to pin 5 of block 2 (yellow), to enable the DC-DC converter, it also operates the auto disconnect module, to disconnect 12V O/P to pins 2, 3, 10 and 11 of block 3. It does however leave pin 9 still connected to 12V which you could use to power your Waeco fridge.
Thanks for colouring in the wiring diagram, Troopy. I will go and check my Block 3 to check the wiring for the fridge, just to be sure that it is wired correctly.
From the earlier photos that I posted up on the previous page, you can see that the wiring for Block 3 had a serious error in it (from Avan's electrician). One of the earth wires (black) was in a wrong spot. Clearly the electrician at Avan really did not know what they were doing. Thankfully no damage done and I've relocated that earth wire.
Cheers,
Lawrance
EDIT: After coming back from work, I checked the wiring for the fridge. From what I've found, the AVan electrician has wired the fridge directly to the house batteries, bypassing the EBL altogether.
-- Edited by tempestv8 on Thursday 28th of January 2016 12:11:23 PM
-- Edited by tempestv8 on Thursday 28th of January 2016 09:17:37 PM
Hi all
This is my 1st feed on TGNF though I feel I know you all having read your feeds over the last year regarding our wonderful Electrobloc EBL 109-6.
Even though this thread has been active for a few years it is still probably the best thread addressing some of the Avan's Electrobloc EBL 109-6 wiring issues.
Let me first introduce myself. I am the proud 2nd owner of an Avan Infinity 2013. My 1st van after being an avid camper for the last 35 years. The van has features I really never dreamed of for our 1st van. Please forgive my long winded 1st post. But I will try and be as clear as mud.
One of my friends is a small caravan/camper trailer manufacturer. He mainly does repairs and improvements. He did a few small jobs for me when I first got the van eg: raising the gas regulator above the bottle height ect.. He did say to me at the time he was baffled at how the electrical setup was done. I didn't take much notice of that comment till later... As we know Avan as standard only runs the tow vehicles power to the fridge. My van does not work this way. The first owner has made significant changes and installs after handover including wiring, auto sat TV and Solar.
Here are a few things I have noted about my 12volt electrics.
I have a 160watt portable solar panels that I would like to utilize when camping off the grid, as well as a Ctek D250s 20amp off the grid new in a box (dc-dc charger) that I was intending to use in the van as its dc-dc charger and MPPT solar controller. Should I continue down this path or utilize the Electrobloc's dc-dc function.
Any thoughts? I hope I make sense.
I have attach 2 photos of the wiring to the Electrobloc as well
PS: I have a copy of the Electrobloc EBL 109-6 instruction manual if anyone wants a copy as it seems hard to find on the net.
Cheers
Sean
My setup seems to be have been wired similar to yours.
One thing I noticed was that no two EBL 109-6 setups seemed to be the same as Avan must have outsourced the wiring to external electrical contractors. I managed to get a copy of the wiring instructions they gave the electricians and it was basically the wiring diagram from the EBL 109-6 instruction manual with some handwritten additions regarding wire gauge for various bits and a couple of similar instructions. In other words, bloody thin!
I have an Owen 2012 model and it didn't have the dc-dc charger or solar wired in so I took it to a local caravan repairer who is also an auto sparky and he added these things for me. So now I have the house battery being charged by the EBL dc-dc charger whilst towing and it seems to do a good job. From memory, I think it delivers just over 14V on charge.
I also have a Ctek 250s dual, but it is setup in the rear of my ute to charge the ute's auxilliary battery. I would feel happy recommending you just wire in the EBL dc-dc charger and save your Ctek for something else.
For an AGM battery you should set the EBL to Gel.
Hope this helps!
Cheers
Geoff
I used the EBL-109 solar input for my portable 180w panel (I bypassed the 'built-in' regulator) and had great results. I sadly traded my Avan 12 months ago, but still think the EBL-109 was a brilliant power controller. If only Avan had known how to wire it!
Regards
Chris
I've had a couple of members ask for the Electrobloc EBL 109-6 manual so thought I'd upload to this forum.
Don't ask me where I got it from.. After searching the Web for a longtime I stumbled across it. I couldn't press the download key quick enough
So here it is.
Regards
Sean
That's fine. I shared it on the first page of this thread. There is a heap of info from several bloggers (including me) about the EBL, so I can only suggest you read all the pages. It could answer lots of questions.
Regards
Chris
Thanks Chris
I have read heaps of excellent information and advice on this thread about the wiring and the EBL. It's been very helpful.
I thought I'd load the EBL 109-6 manual as it is slightly different to your posting of the 109-5. When I say slightly in mean slightly. The 109-6 does have a fridge controller on block 3 that also seems to bypass the auto cutoff when the dc-dc is running. I think, I'm no electrician. There's also a 2A fuse on the front panel for the fridge controller.. This seems very light amps so can't be running the fridge. Not that my block 3 is using it. Any advice?
Regards
Sean
I strongly suggest you contact the company I did in the U.K. They were wonderful. Here is a text from one of my earlier posts:
I was so frustrated with the appalling lack of support from Avan regarding this - and any electrical - issue, I contacted an Elektroblock service company in the UK called A&N Caravan Services who were fantastic. A very knowledgeable guy by the name of Allan Evans sent me schematics etc. which answered all my questions about this DC charging issue. He also wrote me a lot of instructions about the connections and strongly recommended I read their page about van batteries www.aandncaravanservices.co.uk/battery-technology.php which blew me away!
I'm sure they can tell you what you need to know as I found there was virtually no-one in this country who really knew the EBL.
Good luck
Chris
Hi all, read this thread with interest. Recently purchased an Avan Erin HT, and of course the wiring has been interesting. No Anderson plug, the 12 feed was from the fridge directly to the 7 pin trailer plug, complete with lots of bare wires. No use of the DC/DC function.
So I have wired an Anderson plug to the Electo block, got the time delay relay and just need to put that in to give it all the big test.
With the fridge, I wonder if the elect block wants to control a relay that switches the fridge...that 2 amp fuse is the clue.
One question, I was going to use the parking light circuit to trigger the EL block, but there appears to be no earth connection between the light circuit and the the battery, i.e. cant measure 12 volts between the +ve light circuit and the negative terminal of the battery!
comments?
thanks Robert
-- Edited by 6mdx on Wednesday 23rd of November 2016 12:04:38 PM
Hi all, I am new to the world of Avans and have been using this thread to understand the "marvels" of the Electrobloc . I now know how to wire up my DC charger via Block 2 pins 4,5,6 - it wasn't connected at all.
I still have a couple of questions:
1. the electrobloc connection diagram has inputs for "solar charger" - does this mean that there is no need for a solar regulator? Does the electrobloc act as a regulator as well? In the Block 4 diagram, the solar connections are (E) to Pin 2; A to Pin 3; - to Pin 1. I have interpreted this as panel negative to Pin 1; Panel positive to Pin 3; but not sure what (E) means? (E) seems to be connected in circuit diagram to Pin 1 in Block 3 (i.e. a load circuit). Unless there is a regulator, not sure what to connect to (E) (Pin 2/Block 4), and if it is the "load" output from a regulator, where does load negative go?
2. what to do with 12V fridge feed. At the moment, it is running from Anderson Plug (from voltage protected second battery setup) directly to fridge, no other connections. I was going to connect the DC charger (Block 2) to the same Anderson plug, but this means that the fridge will be effectively connected to the feed side of the DC charger (Block 2). If I understand the circuitry, the ignition feed to Block 2/pin 5 disconnects the 12 V input (Block 2/pin 6) when ignition is off to protect the car battery, but this would only work if fridge is connected to Block 3 (rather than directly). So what can I do to prevent draining car batteries when stopped? I thought of putting in a "fridge switch" to isolate fridge when stopped? Is this a good idea?
It seems a long time ago that I went through all the same problems you need to fix, as I replaced my Avan over 2 years ago. My old brain is struggling to remember all the details, so I think if you read all my posts you should find a solution. I do remember a few things of reasonable importance. In my 'conversations' with the Electroblock service company in Wales, they stressed the importance of the use of either a real trigger wire from the tug's ignition as per the schematics, or an artificially delayed trigger voltage which 'fools' the unit into thinking that 'OK, I have a solid 12v supply now, but I don't operate until the engine is running'. A 20 second delay is normally more than sufficient to start most cars and it removes the Fridge and house battery charging load from the vehicle battery while the motor is cranking. Maybe not vital if your tug battery is in real good shape, but if not it could be problematic. I believe that the small fuse on the trigger wire is mainly because the trigger circuitry current requirements are low. The Electroblock is a very competent smart charger, and I think it will accept 'raw' or regulated solar input.
The trigger system also saves your tug battery when you stop for lunch! I would strongly recommend any wiring modifications be exactly as per the schematics posted on this thread, as unwanted parallel connections may affect or damage the EBL109. I would also allow the Electrobloc to power the fridge as intended and connect the high current 12v supply to the unit as per the pix above. The yellow wire is the 'motor running' trigger (mentioned before) which ensures that nothing happens when the motor stops. You may need to do some intensive reading of the manual and schematics before you start, and if you don't fully understand, ask questions! Good luck.
Chris
Thanks Chris,
Those little pins do not seem to be large enough to take the current that a fridge draws, but I will give it a go!
Getting back to the solar panel, is there an in-built regulator? If not, which pins to use on the solar block and what is the (E) pin for?
Peter
Since I have a pommy tow vehicle (Land Rover) with the two round plugs (12S and 12N) I actually have a factory ignition contact to utilise, will run it through the "reverse" pin in the 7 flat plug.
Hi, Peter!Unless someone has radically modified the wiring, the fridge should already be connected to the EBL109. The tug power should enter the unit via the top RHS socket, and then it will go to the fridge via a fuse connection and block3, pins 9 and 12. Or at least that's the way I remember it. All I had to do to get mine working was to connect the high current 12v to Connector block 2, and provide a delayed 12v supply for the trigger. Cpt Woody has a couple of great pix of the correct connections for 12v+ (red) 12v-ve (blk) and trigger (yelow). The other pins on block 2 are for the house battery charging function. I notice on Cpt Woody's pix that these aren't used. I can only assume his van has been modified (by Avan or someone else) with a third party battery system. That would pose a whole new set of questions of what effect that would have on the normal 12v functions of the EBL109 as there would be no power input when the tug is disconnected, unless other wiring mods have been done to get around this. At this stage, I am very reluctant to suggest what alterations need to be done as I have no real idea of what has already been done! Therefore, I suggest you seek advice from a technician who can trace the existing wiring and determine what can be done without doing damage. It is also highly likely that since my Avan was wired at the factory in 2008 they have made significant changes. But it's still obvious that they still have no idea of just how good the EBL is and how to deploy it correctly. Good luck!
-- Edited by Stratman77 on Saturday 5th of August 2017 09:20:08 PM
Hi, I am new to this RV stuff. You asked a question regarding connecting your solar and where can you get a plug fitting for bloc 4. Did you get an answer please?
regards
John
Hi John,
Block 4 connector:
www.amazon.co.uk/Durite-Connector-Mate-N-Lock-Housing-0-013-03/dp/B00D5UAQ1K
The above link doesn't seem to have the metal pins that go inside the connector, so you may have to buy them separately: www.amazon.co.uk/Contact-Contacts-Cross-section-Caravan-Distribution/dp/B07C93Y67X
Basically I did a google search for "Schaudt connector" or "Shaudt plug"
Here are other vendors links:
https://shop.jyvascaravan.fi/en/851304-cable_kit_for_solar_regulators_duo_digital/
wal.localmartuk.com/conwy/item/new_schaudt_elektroblock_connectors_and_cables_ebl_99_etc_we/70569070
shop.apuljackengineering.co.uk/index.php
www.mouterecaravans.co.nz/product/2087300
-- Edited by tempestv8 on Wednesday 22nd of April 2020 09:39:37 AM