Has your Avan been fitted with the Elektroblock EBL 109-6 or similar battery charger, and if so, has the DC-DC function been wired in? In my Avan RayII the Anderson plug has been wired directly to the fridge, and not to the EBL 109. Also the fridge is not conected to the van's battery either. It seems that the DC-DC function of the EBL 109 has been completely neglected, and the only way to charge the van battery is via the 240V input. When I quizzed the Avan rep at the Wauchope Caravan & Camping show I was told "Oh you mean the Blue Box, no they're not designed to do that". what the??????
Another thing that annoyed me about the Avan wiring was that, anywhere and everywhere a wire needed to be spliced into a circuit, the installer had used "Scotch Locks". Is this the the case with your Avan too? These type of connectors would have to be the most unreliable way of splicing I have ever seen. But they are quick and easy to use instead of proper crimped or soldered connections, so that's why they use them.
I did end up connecting the 12V from the Anderson plug to the EBL 109, and a "hot wire" from the Troopy's ignition (via a fuse) to the Charge Control pin on block 2 connector. Unfortunately the contacts in the connectors are very underrated for the Charge Input from vehicle, so I connected it directly to the booster module via a female spade lug. I also connected the fridge 12V supply directly to the van's battery, so that the Troopy battery will not be connected when the ignition is off.
I'm still not happy with the way it is, but it was the best I could do, on short notice, before we headed off for a test run of the van. Eventually I'll get around to re-wiring the van using bigger cable, and installing a better DC-DC/solar charger and also fitting a 240V charger for use in CV parks.
Overall, I am very unimpressed with the Avan electrics and think it is really a let down to an otherwise well made van.
-- Edited by 03_troopy on Monday 26th of August 2013 08:13:17 PM
hako said
04:11 AM Aug 27, 2013
Our Avan has the setup you describe but as we don't use 12v for the fridge except via an Anderson plug when travelling so we don't need a battery connection. Charge the house battery either with 240V park power or a 80 watt solar panel. I too dislike those scotchlocks - lost our stoplights due to them and wasted half a day trying to fix them. I will one day rewire as well.
Regards
PeterD said
07:06 AM Aug 27, 2013
03_troopy wrote: Also the fridge is not conected to the van's battery either.
I reckon this is a plus, not a minus. I would not have a fridge connected to the house battery, they draw too much current and can flatten a battery in quick time.
Dougwe said
04:11 PM Aug 27, 2013
I did a complete re-wire of my Avan 'Sportliner' earlier this year and now have a Cteck Duel DC-DC Smart charger doing all the 12v and solar work for me. A new cable direct from 12v connection of fridge to car side of the Cteck and that runs fridge when travelling.
Via a Anderson plug set up the tug is charging the Avan battery while travelling as well. A 120w Solar Panel that I rigged up as portable and via Anderson plugs again looks after charging when without 240v. The 240v charger is only used for charging when connected to 240v supply. I am very happy with the way it all works now.
I am not a fan of the wiring supplied by Avan or their service for that matter but love the product.
justcruisin01 said
02:35 AM Aug 28, 2013
03_troopy wrote:
Another thing that annoyed me about the Avan wiring was that, anywhere and everywhere a wire needed to be spliced into a circuit, the installer had used "Scotch Locks". Is this the the case with your Avan too? These type of connectors would have to be the most unreliable way of splicing I have ever seen. But they are quick and easy to use instead of proper crimped or soldered connections, so that's why they use them.
-- Edited by 03_troopy on Monday 26th of August 2013 08:13:17 PM
The bloke that invented these things should have had the fitted to his family jewels.
I have removed & thrown away more of these from customers cars than I care to remember.
03_troopy said
03:13 AM Aug 28, 2013
PeterD wrote:
03_troopy wrote: Also the fridge is not conected to the van's battery either.
I reckon this is a plus, not a minus. I would not have a fridge connected to the house battery, they draw too much current and can flatten a battery in quick time.
That's true, but only if you select the 12V function when the vehicle ignition is off, so not a problem really for me. I could have spliced the fridge power into the 12V supply line for elektroblock too i guess.
grahamg said
09:29 PM Aug 29, 2013
I have the fridge connected to the house battery but via a "Fridge switch" that it open only when the van is moving.
mongrel said
03:39 PM Sep 3, 2013
Welcome to the forum Diggins.Sorry to here off your problems and hope you have it now sorted..Best of luck for your future travels and if you have any other problems bring them to the forum.There is always someone on here who will have the answers..Enjoy your retirement when it happens. Alan
PS.I like you am still waiting and it can't come quick enough.
-- Edited by mongrel on Tuesday 3rd of September 2013 03:41:38 PM
Diggings said
10:02 PM Sep 3, 2013
Gooday, I bought a new Avan Liam HT with Outback Pak and had heaps of problems with wiring not connected to pump and bloody scotchloks everywhere including electric brakes, I am rewiring most of the van but as I explained to the manager of Avan I bought a new van not a doer upper. I like the van and to buy something similar of another van would be $25,000 or so dearer. Also replaced fiddly little gas bottles.
hako said
04:15 AM Sep 4, 2013
Re replacing 'scotchloks" - is it best to remove them and strip insulation, solder and heatshrink or is it better to use screw type connectors so they can be undone? (like in a 240Vac Junction box)
Thinking about it I guess you'd really never need to undo them if they are done properly so is soldering is best or maybe crimping?
Diggings said
09:03 PM Sep 4, 2013
Gooday, I was thinking of running new wiring straight from the van battery to a seperate Anderson plug on my vehicle which has a dual battery set up, leaving the van fridge to plug into a second Anderson plug on tow vehicle, I have had a look and it looks like the easiest way to go.
03_troopy said
03:14 AM Sep 5, 2013
Soldering or crimping connections are both good if they are done correctly. Crimped terminals and splices are better mechanically where vibration is an issue, and are just as electrically sound as soldered connections (again, if they are done correctly). Because Scotch Locks are generally used to splice one wire into another wire, it is probably easier to solder, as small guage splice connectors aren't easy to find and it would mean cutting the main wire to be able to fit the ferrule. This would allow you to use a piece of glue lined (dual wall) heatshrink over the joint instead of wrapping it in electrical tape however.
Screw conectors used to connect light guage wires are also prone to poor connections, due to the screw cutting through the fine wire, unless it has had a bootlace ferrule fitted to it.
Thanks 03troopy - never heard of glue lined (dual wall) heatshrink - GOOGLED it and it sounds good. I'll go with soldering and some dual wall heatshrink. Never hear of bootlace ferrules either.
Many thanks
Regards
Rayza said
08:42 PM Mar 1, 2014
Having just purchased my preloved Liam and after reading this post I investigated my setup. Yep the DC booster function on the power supply not used. Previous owner had set up an Anderson plug through 6mm wiring straight to battery. My previous van being a Jayco I feed into the Jayco power supply Via an Anderson plug and 6BS cable, the battery is charged from the Jayco power supply unit which for want of better terminology isolates the battery from feeding back to the tow vehicle when ignition off. My tow vehicle is setup so that the van fridges 12v supply is fed from the 12 pin plug. The 12 pin plug is feed from a hot wire from the back of the Anderson plug on the tow vehicle. Hence with the Liam is hooked up when the tow vehicles battery isolator switches off the 12 v supply the caravan battery feeds power back to the fridge via the Anderson plug. Which means The fridge flattens the caravan battery if I don't disconnect the Anderson plug whenever we stop for extended periods when touring. So today to fix the problem and using stuff I had in my workshop from other projects I installed another Redarc isolator near the van battery with the manual override wire connected to the incoming terminal. I ran 6BS cable with Anderson plug to the isolator and then a short run of 8 BS cable from the isolator to battery. So with all connected as soon as the tow vehicles isolator closes and feed power to the van, the manual override switch is activated and closes the vans regulator to charge the battery, if we stop for any length of time as soon as the power stops from the tow vehicle, the manual override opens the van solenoid to isolate the van battery. Overall the Liam's electrical circuitry could have been setup a lot better than what it is
Stratman77 said
05:53 AM Oct 1, 2014
Hi, All!
I was so frustrated with the appalling lack of support from Avan regarding this - and any electrical - issue, I contacted an Elektroblock service company in the UK called A&N Caravan Services who were fantastic. A very knowledgeable guy by the name of Allan Evans sent me schematics etc. which answered all my questions about this DC charging issue. Here is the schematic https://mail.google.com/mail/u/0/?ui=2&ik=89d578c576&view=att&th=148c7f1d0323f3ec&attid=0.1&disp=inline&realattid=f_i0o4677i0&safe=1&zw which may be of some help. He also wrote a lot of instructions about the connections and strongly recommended I read their page about van batteries http://www.aandncaravanservices.co.uk/battery-technology.php which blew me away! Anyone who is grappling with this issue can contact me for further assistance anytime.
Regards
Chris
-- Edited by Stratman77 on Wednesday 1st of October 2014 06:16:28 AM
Stratman77 said
06:16 AM Oct 1, 2014
Hi, All!
I recently had a weird problem with my Avan Rhys H/T interior lights. None of the roof lights worked, but the ones over the sink would vary from 1 on full to 2 on half depending on the other switches being on or off. Armed with my trusty 12v tester and long cable with alligator clips (one end connected to the battery -ve) and not much else, 2 hrs later I found a (you guessed it) burnt Scotch Lok (but I suspect not even a genuine 3M product) in a mess of neutral return connections above the range hood. I was also dismayed to find that many of the 'good' ones had not been fully 'clamped'. They are now! If I have any more hassles in this area, I'll replace the lot with a decent terminal block. It appals me that all the Avan dealer 'techs' I spoke to about this problem were more than willing to help as much as they could, but they don't have any wiring diagrams from Avan. It begs the question about having to pay one of these dealers by the hour to fix this sort of problem since I was told that they often spend DAYS finding bad connections or just rewiring the van! I now have some idea how they are wired, so if any Avan owners have a problem I may be able to help.
Regards
Chris
03_troopy said
01:47 AM Oct 2, 2014
Hi stratman77, your first link to the schematic only goes to gmail web page.
Thanks Stratman77, I did have that, but seem to have misplaced it. So it was good to get a copy so easily... Ta very much..
Diggings said
02:34 PM Nov 5, 2014
Gooday Chris.
I am still confused with this DC to DC hookup, I have the wiring diagram but am a bit hesitant about the wiring, I don't want to burn this unit out, also if I remove the mattress to many more times wifey is not going to be happy, any tips?
Dave
Stratman77 said
08:41 PM Nov 5, 2014
Hi, Dave! The whole issue is confusing! There are so many options, so many vans, so many brain cells gone..... I'd love to help if I can, but I need to know exactly the diagram to which you are referring. It is vital I know how your car plug is wired as well.
I assume you are wanting to connect the Elektroblock inbuilt charger/booster to charge the van battery while on the road. There are a couple of traps as the Elektroblock assumes the car is wired as per European DIN standard. Fortunately, there are relatively simple solutions and it can work wonderfully well if correctly connected. So let me know what you've got and we'll take it from there.
Diggings said
09:20 AM Nov 6, 2014
Gooday Chris, thanks for the reply, I am trying to wire in the Dc to DC side of the Electroblok, I currently am charging the van battery via an Anderson plug which is hooked to my vehicle which has a dual battery set up and a second battery in the back of the dual cab, this works ok to a limit but doesn't seem to put enough into the van battery even when I disconnect the second battery in the ute.
Dave
Stratman77 said
02:29 PM Nov 6, 2014
Hi, Dave! OK. What you want to do is fine, but! There are a few things you need to know before you start. Are you OK with electric diagrams, etc? If so, I can send you some that will help a great deal. One of the most difficult things I found was to get the female connectors for the block 2 plug. I got mine from the UK, but I'm sure you can get them here online from a connector systems company such as http://www.jameco.com/1/3/amp-mnl-connector. I tried electrical wholesalers and Jaycar with no luck. You need 3 to connect to the top row of pins (from left 4,5 & 6). Pin 4 is negative, 6 is positive (at least 20 amp cable from van (or Anderson) plug. Pin 5 is a control wire which is standard in Europe and it is only 'active' when the motor is running. I got around that one by using a cheap delay relay that comes in after 10 seconds and activates the charger/booster in the Elektroblock. I really think it would save a lot of time if you could ring me and I'm happy to send my number by private message. Just let me know.
-- Edited by Stratman77 on Thursday 6th of November 2014 03:06:28 PM
-- Edited by Stratman77 on Thursday 6th of November 2014 03:35:28 PM
PeterD said
03:38 PM Nov 6, 2014
Chris & Dave, it will probably be easiest for Dave to contact the company you gave the link for in your first posting. They will know exactly what is needed and will most likely have the correct item in stock.
Stratman77 said
08:17 PM Nov 6, 2014
Hi, Peter!
Having imposed on their good nature frequently over several weeks, I feel that they may not be all that keen unless there is something in it for them - and that's fair enough. They do send refurbished Elektroblocks all over the world, but I can't think of any other way to compensate them for their time. They shipped me a 3 pin nylon plug for my solar connection and about 10 mixed terminals at a cost of under AU$15 including postage which took nearly 4 weeks. Also, they work in an environment of DIN standards which can make some of their advice confusing unless you translate it to our conventions. Dave is welcome to take your advice if he feels that it is the best course of action but I am happy to give him any assistance I can. Since I have just completed the task he is requesting help for, I may save him a lot of time and money. Of course, he may not have the required technical expertise, which means he would have to go to a qualified person anyway. In that regard, I made dozens of calls to 'qualified people' - local and interstate - seeking technical help and while they were happy to help they had no knowledge of this issue, and that is why I contacted that company in Wales. I will leave it for Dave to decide what he wants to do.
PeterD said
09:44 PM Nov 6, 2014
Chris, maybe I did not express myself clearly enough. I was expecting that he would be able to order and pay for what is necessary rather than trying to bodgy up the installation adapting Oz sourced items. Even if he is getting someone else to do the job then purchasing parts from Britain may be the best option.
Stratman77 said
12:07 AM Nov 7, 2014
Hi, Peter!
There are no parts required that are only available from the U.K. In fact, there are very few parts required at all. If Dave has an ignition wire at his van plug (which is standard in Europe), all he needs is some wire and 3 female contact pins for the 6 way MNL plug on the Elektroblock control unit. If he doesn't have an ignition wire, it gets a bit more complicated. My objective was to find out what his wiring situation is and advise him what was required to determine if he can do the job.
Diggings said
11:21 AM Nov 7, 2014
Gooday Chris, I am a retired mechanic and have dabbled heavily into auto electrics, I would appreciate your assistance in this job, the schematics that are in one of your previous posts shows two arrays of plugs with the relevant numbers on them, I was wondering which ones you used as you have experience in doing this hookup.
Thanks for your help
Dave
Diggings said
11:24 AM Nov 7, 2014
Chris, I have an unused switched wire in my trailer plug, I was going to use it for a camera, but can use it for the DC DC
Stratman77 said
11:50 PM Nov 7, 2014
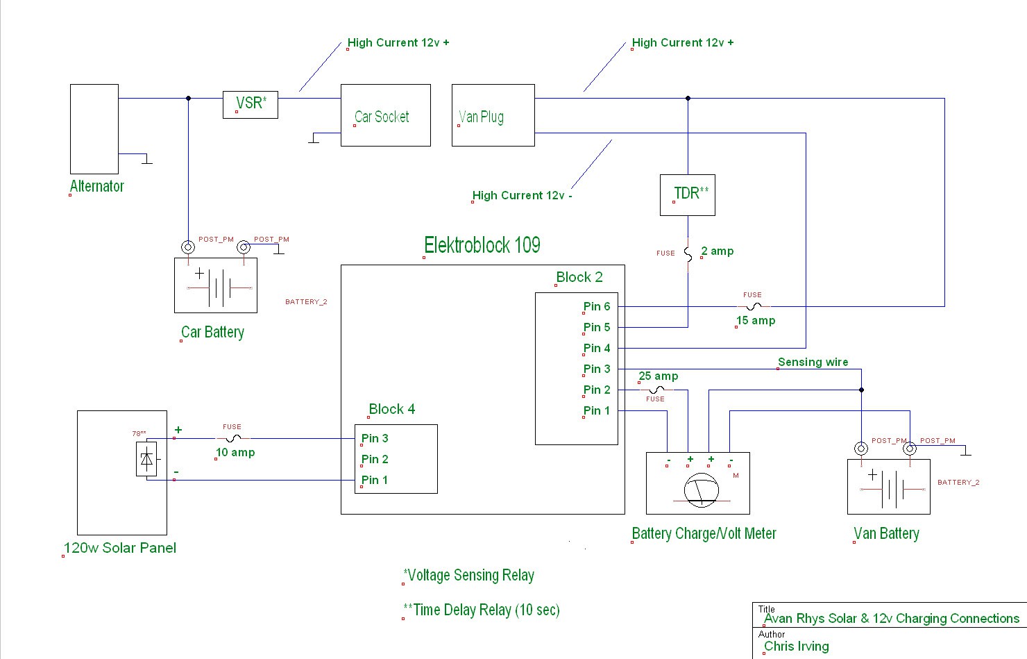
Hi, Dave! OK. I have attached the trailer plug wiring and a schematic of how I wired my van. Basically, The Elektroblock needs the following 12v connections to block 2 - pin 4 neutral, pin 6 permanent positive (a direct connection to the car battery) and an extra wire that is 12v positive when the motor is running (often referred to as an ignition wire) to pin 5. I don't have the ignition wire, so I fool the Elektroblock with a time delayed 12v positive from a cheap time delay relay connected to the main 12v feed. I expect you will have questions after you read this, so let me know if you are following me at this point.
A query to other Avan owners:
Has your Avan been fitted with the Elektroblock EBL 109-6 or similar battery charger, and if so, has the DC-DC function been wired in? In my Avan RayII the Anderson plug has been wired directly to the fridge, and not to the EBL 109. Also the fridge is not conected to the van's battery either. It seems that the DC-DC function of the EBL 109 has been completely neglected, and the only way to charge the van battery is via the 240V input. When I quizzed the Avan rep at the Wauchope Caravan & Camping show I was told "Oh you mean the Blue Box, no they're not designed to do that". what the??????
Another thing that annoyed me about the Avan wiring was that, anywhere and everywhere a wire needed to be spliced into a circuit, the installer had used "Scotch Locks". Is this the the case with your Avan too? These type of connectors would have to be the most unreliable way of splicing I have ever seen. But they are quick and easy to use instead of proper crimped or soldered connections, so that's why they use them.
I did end up connecting the 12V from the Anderson plug to the EBL 109, and a "hot wire" from the Troopy's ignition (via a fuse) to the Charge Control pin on block 2 connector. Unfortunately the contacts in the connectors are very underrated for the Charge Input from vehicle, so I connected it directly to the booster module via a female spade lug. I also connected the fridge 12V supply directly to the van's battery, so that the Troopy battery will not be connected when the ignition is off.
I'm still not happy with the way it is, but it was the best I could do, on short notice, before we headed off for a test run of the van. Eventually I'll get around to re-wiring the van using bigger cable, and installing a better DC-DC/solar charger and also fitting a 240V charger for use in CV parks.
Overall, I am very unimpressed with the Avan electrics and think it is really a let down to an otherwise well made van.
-- Edited by 03_troopy on Monday 26th of August 2013 08:13:17 PM
Regards
I reckon this is a plus, not a minus. I would not have a fridge connected to the house battery, they draw too much current and can flatten a battery in quick time.
Via a Anderson plug set up the tug is charging the Avan battery while travelling as well. A 120w Solar Panel that I rigged up as portable and via Anderson plugs again looks after charging when without 240v. The 240v charger is only used for charging when connected to 240v supply. I am very happy with the way it all works now.
I am not a fan of the wiring supplied by Avan or their service for that matter but love the product.
The bloke that invented these things should have had the fitted to his family jewels.
I have removed & thrown away more of these from customers cars than I care to remember.
That's true, but only if you select the 12V function when the vehicle ignition is off, so not a problem really for me. I could have spliced the fridge power into the 12V supply line for elektroblock too i guess.
Welcome to the forum Diggins.Sorry to here off your problems and hope you have it now sorted..Best of luck for your future travels and if you have any other problems bring them to the forum.There is always someone on here who will have the answers..Enjoy your retirement when it happens. Alan
PS.I like you am still waiting and it can't come quick enough.
-- Edited by mongrel on Tuesday 3rd of September 2013 03:41:38 PM
Thinking about it I guess you'd really never need to undo them if they are done properly so is soldering is best or maybe crimping?
Gooday, I was thinking of running new wiring straight from the van battery to a seperate Anderson plug on my vehicle which has a dual battery set up, leaving the van fridge to plug into a second Anderson plug on tow vehicle, I have had a look and it looks like the easiest way to go.
Soldering or crimping connections are both good if they are done correctly. Crimped terminals and splices are better mechanically where vibration is an issue, and are just as electrically sound as soldered connections (again, if they are done correctly). Because Scotch Locks are generally used to splice one wire into another wire, it is probably easier to solder, as small guage splice connectors aren't easy to find and it would mean cutting the main wire to be able to fit the ferrule. This would allow you to use a piece of glue lined (dual wall) heatshrink over the joint instead of wrapping it in electrical tape however.
Screw conectors used to connect light guage wires are also prone to poor connections, due to the screw cutting through the fine wire, unless it has had a bootlace ferrule fitted to it.
Screw Connector
Bootlace Ferrule
Many thanks
Regards
Hi, All!
I was so frustrated with the appalling lack of support from Avan regarding this - and any electrical - issue, I contacted an Elektroblock service company in the UK called A&N Caravan Services who were fantastic. A very knowledgeable guy by the name of Allan Evans sent me schematics etc. which answered all my questions about this DC charging issue. Here is the schematic https://mail.google.com/mail/u/0/?ui=2&ik=89d578c576&view=att&th=148c7f1d0323f3ec&attid=0.1&disp=inline&realattid=f_i0o4677i0&safe=1&zw which may be of some help. He also wrote a lot of instructions about the connections and strongly recommended I read their page about van batteries http://www.aandncaravanservices.co.uk/battery-technology.php which blew me away! Anyone who is grappling with this issue can contact me for further assistance anytime.
Regards
Chris
-- Edited by Stratman77 on Wednesday 1st of October 2014 06:16:28 AM
Hi, All!
I recently had a weird problem with my Avan Rhys H/T interior lights. None of the roof lights worked, but the ones over the sink would vary from 1 on full to 2 on half depending on the other switches being on or off. Armed with my trusty 12v tester and long cable with alligator clips (one end connected to the battery -ve) and not much else, 2 hrs later I found a (you guessed it) burnt Scotch Lok (but I suspect not even a genuine 3M product) in a mess of neutral return connections above the range hood. I was also dismayed to find that many of the 'good' ones had not been fully 'clamped'. They are now! If I have any more hassles in this area, I'll replace the lot with a decent terminal block. It appals me that all the Avan dealer 'techs' I spoke to about this problem were more than willing to help as much as they could, but they don't have any wiring diagrams from Avan. It begs the question about having to pay one of these dealers by the hour to fix this sort of problem since I was told that they often spend DAYS finding bad connections or just rewiring the van! I now have some idea how they are wired, so if any Avan owners have a problem I may be able to help.
Regards
Chris
Oops! Senior moment again! Sorry!
This attached PDF should be OK.
Chris
Gooday Chris.
I am still confused with this DC to DC hookup, I have the wiring diagram but am a bit hesitant about the wiring, I don't want to burn this unit out, also if I remove the mattress to many more times wifey is not going to be happy, any tips?
Dave
I assume you are wanting to connect the Elektroblock inbuilt charger/booster to charge the van battery while on the road. There are a couple of traps as the Elektroblock assumes the car is wired as per European DIN standard. Fortunately, there are relatively simple solutions and it can work wonderfully well if correctly connected. So let me know what you've got and we'll take it from there.
Dave
Hi, Dave! OK. What you want to do is fine, but! There are a few things you need to know before you start. Are you OK with electric diagrams, etc? If so, I can send you some that will help a great deal. One of the most difficult things I found was to get the female connectors for the block 2 plug. I got mine from the UK, but I'm sure you can get them here online from a connector systems company such as http://www.jameco.com/1/3/amp-mnl-connector. I tried electrical wholesalers and Jaycar with no luck. You need 3 to connect to the top row of pins (from left 4,5 & 6). Pin 4 is negative, 6 is positive (at least 20 amp cable from van (or Anderson) plug. Pin 5 is a control wire which is standard in Europe and it is only 'active' when the motor is running. I got around that one by using a cheap delay relay that comes in after 10 seconds and activates the charger/booster in the Elektroblock. I really think it would save a lot of time if you could ring me and I'm happy to send my number by private message. Just let me know.
-- Edited by Stratman77 on Thursday 6th of November 2014 03:06:28 PM
-- Edited by Stratman77 on Thursday 6th of November 2014 03:35:28 PM
Having imposed on their good nature frequently over several weeks, I feel that they may not be all that keen unless there is something in it for them - and that's fair enough. They do send refurbished Elektroblocks all over the world, but I can't think of any other way to compensate them for their time. They shipped me a 3 pin nylon plug for my solar connection and about 10 mixed terminals at a cost of under AU$15 including postage which took nearly 4 weeks. Also, they work in an environment of DIN standards which can make some of their advice confusing unless you translate it to our conventions. Dave is welcome to take your advice if he feels that it is the best course of action but I am happy to give him any assistance I can. Since I have just completed the task he is requesting help for, I may save him a lot of time and money. Of course, he may not have the required technical expertise, which means he would have to go to a qualified person anyway. In that regard, I made dozens of calls to 'qualified people' - local and interstate - seeking technical help and while they were happy to help they had no knowledge of this issue, and that is why I contacted that company in Wales. I will leave it for Dave to decide what he wants to do.
There are no parts required that are only available from the U.K. In fact, there are very few parts required at all. If Dave has an ignition wire at his van plug (which is standard in Europe), all he needs is some wire and 3 female contact pins for the 6 way MNL plug on the Elektroblock control unit. If he doesn't have an ignition wire, it gets a bit more complicated. My objective was to find out what his wiring situation is and advise him what was required to determine if he can do the job.
Gooday Chris, I am a retired mechanic and have dabbled heavily into auto electrics, I would appreciate your assistance in this job, the schematics that are in one of your previous posts shows two arrays of plugs with the relevant numbers on them, I was wondering which ones you used as you have experience in doing this hookup.
Thanks for your help
Dave
Hi, Dave!
OK. I have attached the trailer plug wiring and a schematic of how I wired my van. Basically, The Elektroblock needs the following 12v connections to block 2 - pin 4 neutral, pin 6 permanent positive (a direct connection to the car battery) and an extra wire that is 12v positive when the motor is running (often referred to as an ignition wire) to pin 5. I don't have the ignition wire, so I fool the Elektroblock with a time delayed 12v positive from a cheap time delay relay connected to the main 12v feed. I expect you will have questions after you read this, so let me know if you are following me at this point.